Grundfos ALPHA2 25-50 180mm 1x230V Umwälzpumpe
Modell: 97993200
Beschreibung
Grundfos ALPHA2 25-50 180mm 1x230V Umwälzpumpe 97914906Umwälzpumpe, Typ ALPHA2 25-50 180
Produktnr.: 97993200
Hocheffiziente Nassläuferpumpe mit luftabscheidendem Pumpengehäuse (Schnellentlüfter
bauseits), Nassläuferpumpe mit Permanentmagnetmotor (ECM-Technologie)und integrierter
elektronischer Leistungsanpassung durch stufenlose Drehzahländerung zur Förderung von
Heizungswasser gemäß VDI 2035.
Eigenschaften und Produktvorteile:
* AUTOADAPT Funktion
* Handwerkermarke
* 5 Jahre Gewährleistung
* Geringer Energieverbrauch durch Energieeffizienzklasse A
* optional auch in Edelstahl
* Drehzahlgeregelte Pumpe erfüllt die Anforderungen der Energieeinsparverordnung (EnEV)
§14(3)
* Automatische Nachtabsenkung hilft zusätzlich Energie zu sparen
* Geregelt oder feste Drehzahl, einfache Einstellung über Softtouch
* Einstellung der Regelungsart und Regelkurve über Softtouch
* Anzeige der aktuellen Leistungsaufnahme auf Display
* Einfacher elektrischer Anschluss durch ALPHA-Stecker
* Spaltrohr, Lagerplatte und Rotorkappe aus Edelstahl
* Kein externer Motorschutz erforderlich durch blockierstromfesten einphasigen Motor
Fördermedium:
Medientemperaturbereich: 2 .. 110 °C
Technische Daten:
Temperaturklasse: 110
Max. Betriebsdruck: 10 bar
Prüfkennzeichen auf dem Typenschild: VDE,GS,CE
Werkstoffe:
Pumpengehäuse: Grauguß
EN-JL 1020
ASTM A48-25 B
Laufrad: Composite, PP
Installation:
Bereich der Umgebungstemperatur: 0 .. 40 °C
Max. Betriebsdruck: 10 bar
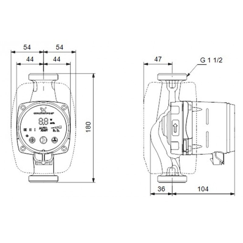
Nennweite: G 1 1/2
Nenndruck (bar): PN 10
Einbaulänge: 180 mm
Elektrische Daten:
Strom Aufnahme - P1: 5 .. 26 W
Maximaler Stromverbrauch: 0.04 .. 0.32 A
Netzfrequenz: 50 Hz
Nenn-Spannung: 1 x 230 V
Schutzart (IEC 34-5): 42
Isolationsklasse (IEC 85): F
Das Sparschwein im Keller
Die Heizungsumwälzpumpe läuft ca. 6.000 Stunden im Jahr und bringt es auf ungefähr 10 % des jährlichen Strombedarfs eines 4-Personen Haushalts – versteckt und unbemerkt im Heizungskeller.
Neue Hocheffizienzpumpen wie die Grundfos ALPHA2 mit dem Energielabel A benötigen bis zu 80 % weniger Strom und können jährlich bis zu 150 Euro Stromkosten einsparen .
Das bedeutet für Sie: Optimalen Komfort bei minimalem Stromverbrauch und eine dauerhaft gesenkte Stromrechnung.
Abhängig vom Stromverbrauch Ihrer alten Pumpe, amortisiert sich die Investition in die Grundfos ALPHA2 dank der jährlichen Energieeinsparung bereits nach wenigen Jahren.
Vorteile:
Geld sparen: Dank der einmaligen Kombination aus Frequenzumrichter, Permanentmagnettechnologie und kompakter Statorbauweise ist die ALPHA2 ganz oben auf der Energieeffizienzskala platziert.
Einfacher Einbau: Die neue und innovative Bauweise der ALPHA2 macht diese Pumpe zur kompaktesten Grundfos Umwälzpumpe, die es je gab. Denn durch die in der Pumpe integrierte Elektronik ergeben sich äußerst kompakte Abmessungen, die die Installation erheblich erleichtern – und das auch bei sehr beengten Platzverhältnissen.
Einfache Inbetriebnahme: Die Werkseinstellung AUTOADAPT wählt automatisch die optimale Einstellung. Und einmal auf AUTOADAPT eingestellt, muss die Pumpeneinstellung nie wieder angepasst werden.
Was ist AUTOADAPT?
Die von Grundfos entwickelte und patentierte AUTOADAPT Funktion erfüllt gleich mehrere Aufgaben:
Sie macht die Drehzahlregelung noch effizienter.
Sie stellt sicher, dass die Pumpe in jede Anlage passt – ohne Einstellarbeiten von außen.
Sie bietet optimalen Komfort bei minimalem Energieverbrauch.
Plug and pump: Der im Markt bekannte und von vielen geschätzte ALPHA-Stecker ermöglicht einen einmalig einfachen Netzanschluss.
Überwachung: Das einfach abzulesende LED-Display zeigt die aktuelle Leistungsaufnahme an.
Zusätzliche Energieeinsparung: Bei entsprechend ausgerüsteten Heizkesseln wird durch Aktivierung der Nachtabsenkungsfunktion die Leistungsaufnahme der Pumpe auf ein Minimum reduziert.
Hohe Qualität und lange Lebensdauer: Die neue Edelstahlausführung bietet eine lange Lebensdauer und einen zuverlässigen Schutz gegen Korrosion in häuslichen Warmwasser-Zirkulationssystemen und anspruchsvollen Heizungsanlagen.
Energieeffizienzklasse A: Dank der einmaligen Kombination aus Frequenzumrichter, Permanentmagnettechnologie und kompakter Statorbauweise ist die ALPHA2 ganz oben auf der Energieeffizienzskala platziert.
Einfache Bedienung: Die intuitive One-Touch-Bedienung ermöglicht eine einfache Einstellung.
inkl. original Wärmedämmschale
Die Bilder können vom original Produkt/Artikel abweichen.
- Um nach Österreich zu versenden, besuchen Sie Grundfos ALPHA2 25-50 180mm 1x230V Umwälzpumpe
- Pro odeslání do Česka navštivte Grundfos čerpadlo ALPHA2 25-50 180mm 1x230V 97993200
- Aby wysłać do Polski odwiedź GRUNDFOS Pompa obiegowa ALPHA2 25-50 180mm 1x230V 97993200
- Pre odoslanie na Slovensko navštívte Grundfos ALPHA2 25-50 180mm 1x230V 97993200 obehové čerpadlo
Beurteilung (0)
eine Beurteilung schreiben
Bewertung: Am schlechtesten Am besten
Schreiben Sie bitte den Kode aus dem Bild unten ins Feld ab:


















