WILO Stratos 50/1-10 PN6/10 Umwälzpumpe 240 mm 2103614
Modell: 2103619
Beschreibung
Hocheffizienz-Pumpe Wilo-Stratos - elektronisch geregeltNassläufer-Umwälzpumpe mit niedrigsten Betriebskosten, für Rohreinbau. Einsetzbar für alle Heizungs-, Lüftungs-, Klima-Anwendungen (-10 °C bis +110 °C). Mit integrierter elektronischer Leistungsregelung für konstanten/variablen Differenzdruck. Wärmedämmschalen serienmäßig. Serienmäßig mit Ein-Knopf-
Handbedienebene für:
• Wahl der Regelungsart:
• dp-c (Differenzdruck constant)
• dp-v (Differenzdruck variabel)
• dp-T (Differenzdruck temperaturgeführt) mittels IR-Monitor/-Stick, Modbus, BACnet, LON oder Can
• Q-Limit zur Begrenzung des maximalen Volumenstromes (Einstellung nur über IR-Stick)
• Stellerbetrieb (Einstellung konstante Drehzahl)
• Automatischer Absenkbetrieb (selbstlernend)
Sollwert- bzw. Drehzahl-Einstellung
Grafisches Pumpen-Display mit drehbarer Anzeige für horizontale und vertikale Modulanordnung, zur Anzeige von:
• Betriebszustand
• Regelungsart
• Differenzdruck- bzw. Drehzahl-Sollwert
• Fehler- und Warnmeldungen
Synchronmotor nach ECM-Technologie mit höchsten Wirkungsgraden und hohem Anlaufmoment, automatischer Deblockierfunktion und integriertem Motorvollschutz.
Störmeldeleuchte, potentialfreie Sammelstörmeldung, IR-Schnittstelle zur drahtlosen Kommunikation mit Bedien- und Service-Gerät Wilo-IR-Monitor/-Stick.
Steckplatz für Wilo-IF-Module Stratos mit Schnittstellen für Gebäudeautomation GA bzw. Doppelpumpenmanagement (Zubehör: IF-Module Stratos Modbus, BACnet, LON, CAN, PLR, Ext.Aus, Ext.Min, SBM, Ext.Aus/SBM oder DP).
Pumpengehäuse aus Grauguss mit Kataphorese-Beschichtung, Laufrad aus glasfaserverstärktem Kunststoff, Edelstahlwelle mit metallimprägnierten Kohlegleitlagern.
Bei Flanschpumpen - Flanschausführungen:
• Standardausführung für Pumpen DN 32 bis DN 65: Kombiflansch PN 6/10 (Flansch PN 16 nach EN 1092-2) für Gegenflansche PN 6 und PN 16
Hydraulische Daten:
• Fördermenge max. Q: 11,5 m3/h
• Förderhöhe max. H: 10,00 m
• Energieeffizienzindex (EEI): 0.20
Produktdaten:
• Maximaler Betriebsdruck PN: 10 bar
• Max. Umgebungstemperatur T: 40 °C
• Min. Umgebungstemperatur T: -10 °C
• Max. Medientemperatur T: 110 °C
• Min. Medientemperatur T: -10 °C
Motordaten:
• Netzanschluss: 1~230 V ±10%, 50/60 Hz
• Leistungsaufnahme P1 max: 190 W
• Leistungsaufnahme P1 min: 9 W
• Strom (max) Imax: 1,3 A
• Strom (min) Imin: 0,13 A
• Drehzahl max. nmax: 4450 rpm
• Drehzal min. nmin: 1400 rpm
• Isolationsklasse: F
• Schutzart: IPX4D
• Störaussendung: EN 61800-3;2004+A1;2012 / Wohnbereich (C1)
• Störfestigkeit: EN 61800-3;2004+A1;2012 / Industriebereich (C2)
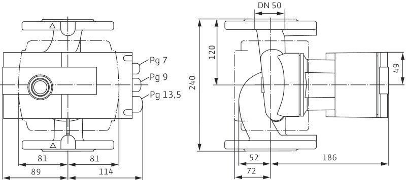
Einbaumaße:
• Druckseitiger Rohranschluß: DN 50
• Saugseitiger Rohranschluß: DN 50
• Baulänge l0: 240 mm
Werkstoffe:
• Lager: Carbon, metal impregnated
• Laufrad: PPE-GF30
• Pumpengehäuse: 5.1301, EN-GJL-250
• Welle: 1.4122, X39CrMo17-1
Die Bilder können vom original Produkt/Artikel abweichen.
- Um nach Österreich zu versenden, besuchen Sie WILO Stratos 50/1-10 PN6/10 Umwälzpumpe 240 mm 2103614
- Pre odoslanie na Slovensko navštívte WILO Stratos 50/1-10 PN6/10 240 mm obehové čerpadlo 2103619
- Aby wysłać do Polski odwiedź WILO Stratos 50/1-10 PN6/10, 240 mm pompa obiegowa 2103619
- Magyarországra történő szállítás WILO Stratos 50/1-10 PN6/10 keringetőszivattyú, 240 mm, 230 V 2103619
- Pro odeslání do Česka navštivte WWILO Stratos 50/1-10 PN6/10 240 mm oběhové čerpadlo 2103619
Beurteilung (0)
eine Beurteilung schreiben
Bewertung: Am schlechtesten Am besten
Schreiben Sie bitte den Kode aus dem Bild unten ins Feld ab:



















